

Denne shop er kun for erhvervskunder. Privatkunder henvises til Marineworld.dk.
Hydraulisk styresystem.
Pakke med komplet hydraulisk ratstyring for både med udenbords motor op til 115 hk.
Sættet er komplet, dog uden rat.
For alle sæt gælder:
• Indbygget overtryks ventil til beskyttelse af installationen.
• Indbygget låseventil til beskyttelse mod ror tilbageslag.
• Balanceret cylinder.
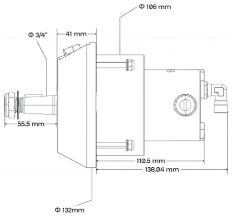
Pumpe: (HP-18) Kapacitet 18 cm3 Maks. tryk 50 bar Vægt 3,9 kg Ratomgange 5,2 Anbefalet rat str.: 350 mm |
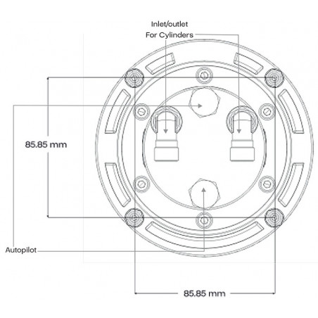
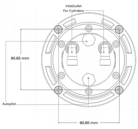
Cylinder: (OC-115U) Kapacitet 92,5 cm3 Udgangskraft 70 kg Stempel 14 mm Slaglængde 184 mm Hydraulikolie 1 lit + oliepåfyldningssæt 2 sæt hydraulikslange, 5 m hver. |
Se video med installations vejledning her!
MultiSteer products are tested and conform to Recreational Craft and
Personal Watercraft Directive 2013/53/EU in accordance with EN ISO 10592:1995/A1:2000.
Se "VEDHÆFTEDE FILER" for at tjekke valg af styresystem
DU VIL EVENTUELT OGSÅ SYNES OM