

Denne shop er kun for erhvervskunder. Privatkunder henvises til Marineworld.dk.
Fix strømforsyning CVS1420BS.
Vandtæt og lydløs strømforsyning uden blæser, med indbygget elektronisk switch.
Se mere information nedenfor.
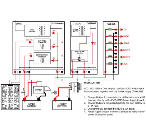
Hvis der forbruges meget strøm til TV, lamper, pumper osv, medens båden er tilsluttet landstrøm, kan selv en 20A lader måske ikke følge med til både forbrug og opladning. Ved tilslutning af strømforsyningen overtager denne den nødvendige forsyning til forbruget med op til 14V/20A (280W). Batteriladeren vil samtidigt forsyne batterierne med andre 20A til opladning, tilsammen er der altså 2x20A til rådighed. Når landstrømmen afbrydes vil strømforsyningen automatisk omkoble forbruget til brugsbatteriet.
Strømforsyningen er overstrøm- og kortslutningsbeskyttet og tåler kortvarige overbelastninger på mere end 100A, f.eks. ved start af køleskab. Strømforsyningen er klasse 2-dobbeltisoleret og IP65 (vand)tæt.
Fix strømforsyningen er primært udviklet til brug sammen med Fix batteriladeren, men kan sagtens anvendes sammen med andre ladere.
Strømforsyningen har en indbygget elektronisk switch der sikrer, at man ikke uforvarende kommer til at tømme forbrugsbatteriet ved ophold i land med tilsluttet landstrøm. Situationen der imødegåes med switchen kan illustreres af situationen hvor en båd kommer i land, tilslutter landstrøm og tænder for TV, computer, køleskab m.v. som indebærer et forbrug ud over 20 A. Switchen slår fra når landstrøm tilsluttes, således at der ikke tappes på vedligeholdelses batteriet i denne situation.
DU VIL EVENTUELT OGSÅ SYNES OM